Calculadora de Estaciones de Bombeo Prefabricadas - Diseño y Cálculo

Herramienta para el diseño y cálculo de estaciones prefabricadas.

Parámetros de Diseño

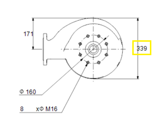
Parámetros de entrada de la bomba

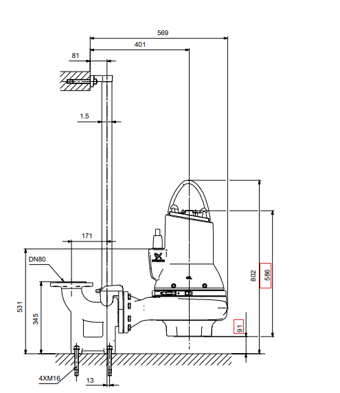
Parámetros de la estación prefabricada

Cálculos

Introduzca los parámetros de diseño y los resultados se actualizarán automáticamente.

Esquema de la Estación Prefabricada